Thông tin bồn tiểu nam TOTO UT904NXW treo tường
- Bồn tiểu nam treo tường của hãng thiết bị vệ sinh TOTO
- Mã sản phẩm đầy đủ: UT904NXW
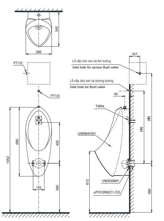
- Kích thước: 345Dx260Wx675H mm
- Áp lực nước: 0.07MPa ~ 0.75MPa
- Lượng nước xả: 4 Lít
- Màu sắc: Màu trắng
- Vị trí lỗ cấp nước: Lỗ cấp trên
- Xuất xứ: Việt Nam
Chi tiết phụ kiện sản phẩm UT904NXW
- Tiểu nam: U904N
- Thân sứ: UW904SV
- Móc treo: T9RA
- Nối tường: VM3D006Y
Tính năng bồn tiểu TOTO UT904NXW
- Thiết kế nhỏ gọn, tiện dụng với vách ngăn tạo không gian riêng tư
- Chế độ xả trải đều mạnh mẽ
- Tùy chọn van xả cho bồn tiểu TOTO UT 904N
- Van xả nhấn : T60S - (A) =740
- Van xả cảm ứng dùng PIN: DUE137PBK - (A) =740, TTUE602DN - (B)=910
- Van xả cảm ứng dùng Điện : TTUE602AN - (B)=910
- Nếu dùng van xả tiểu cảm ứng âm tường phải mua kèm ống nối VM2L051Z
Bản vẽ kỹ thuật bồn tiểu nam TOTO UT904N
