Thông tin cơ bản vòi hoa sen TOTO TBG04302VA/DGH108ZR
- Giới thiệu vòi sen tắm TOTO TBG04302VA/DGH108ZR của thương hiệu thiết bị vệ sinh TOTO
 
- Thiết kế hiện đại hài hòa với dòng sản phẩm GA Series
 
- Thân van bằng đồng thau
 
- Van đĩa bằng sứ chống bám cặn bẩn giúp khóa nước hoàn toàn
 
- Công nghệ sản xuất: Nhật Bản
 
- Xuất xứ sản phẩm: Việt Nam
 
- Mã sản phẩm cũ: TBG04302V
 
Tính năng vòi hoa sen TOTO TBG04302VA DGH108ZR
- Áp lực nước 0.05MPa ~ 0.75MPa
 
- Bát sen mạ Nickel Chrome
 
- Tay sen 5 chế độ
 
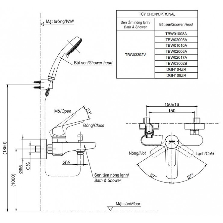
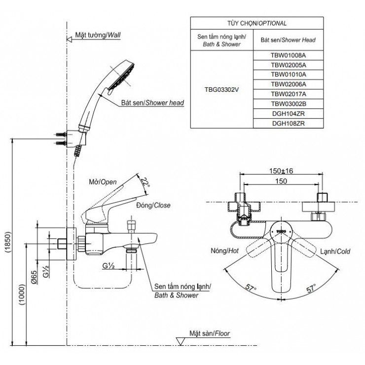
Bản vẽ vòi hoa sen TOTO TBG04302VA DGH108ZR
