Thông số vòi chậu gật gù TOTO TLS04301V nóng lạnh
- Bao gồm bộ xả, không gồm ống thải chữ P
- Áp lực nước: 0.05MPa ~ 0.75MPa
- Lớp mạ: Nickel Chrome
- Xuất xứ: Việt Nam
Tính năng vòi lavabo TOTO TLS04301 V
- Thiết kế hiện đại hài hòa với dòng sản phẩm LF Series
- Lớp mạ bền vững với thời gian
- Thân van bằng đồng thau
- Van đĩa bằng sứ chống bám cặn bẩn giúp khóa nước hoàn toàn
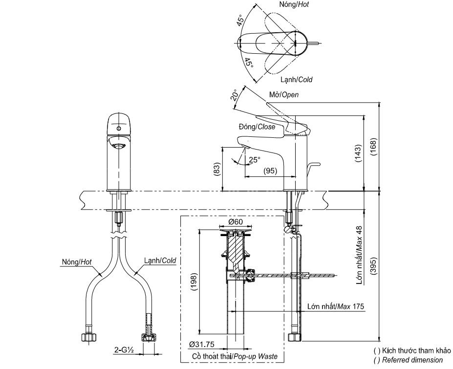
Bản vẽ vòi chậu rửa mặt TOTO TLS 04301V
